Skip to content Skip to sidebar Skip to footer

Tractor John Deere Hydraulic System Diagram

2

2

Tractor john deere hydraulic system diagram. 44000 1987 The John Deere 3150 was the first Deere tractor to feature mechanical front-wheel drive as standard equipment. The tractor has been sitting for a few years outside in the weather. John Deere Parts Diagrams John Deere 2020 TRACTOR -PC0971.

The hydraulic pump on these tractors were pretty small. John Deere 3150 Power. Without the authorization of john deere or its successors.

John Deere 4640 4840 Tractors Technical Manual TM1183 PDF. I started it last night and it didnt blow the housing off until I brought a it off idle. This online parts catalog is robust and easy to use.

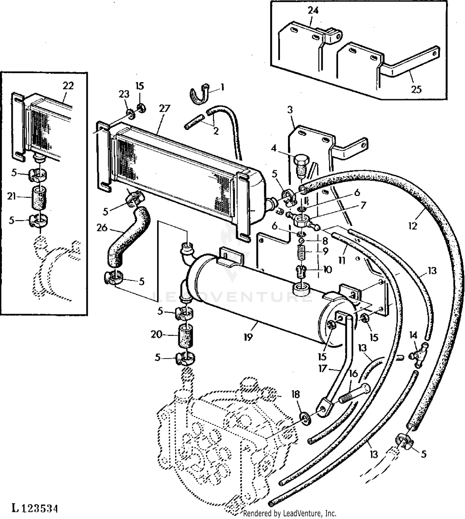
Pay close attention to hose and clamps 19 and 20 in diagram. It is a complete catalog that shows you detailed parts diagrams of every part of your machine. John deere and its successors are not responsible for the quality or accuracy of this manual.

Wed Jul 13 2016 1258 pm Post subject. Wiring diagram for John Deere 5200 slot machine gratis 5525 w self level loader John Deere A. 7-TERMINAL ELECTRICAL OUTLET SOCKET.

This Original Factory Manual Includes Detailed Service Repair Information for the John Deere 650 750 Tractors. Free Download Preview. John Deere 5210 Tractor specs.

John deere and its successors are not responsible for the quality or accuracy of this manual. Once you have found the part on a diagram click on the part number listed in the table below the diagrams.

Technical And Terminology Hydraulic Systems Diagrams And Formulas Winch Hydraulic Systems Hydraulic Winch Tractor Idea

Technical And Terminology Hydraulic Systems Diagrams And Formulas Winch Hydraulic Systems Hydraulic Winch Tractor Idea

John Deere 4500 4600 4700 Repair Manual Compact Utility Tractors Youfixthis

John Deere 4500 4600 4700 Repair Manual Compact Utility Tractors Youfixthis

John Deere Tractors 6405 6605 Diagnosis And Tests Service Technical Manual Tm4576 A Repair Manual Store

John Deere Tractors 6405 6605 Diagnosis And Tests Service Technical Manual Tm4576 A Repair Manual Store

John Deere 2020 Tractor Service Manual Sn From 117500

John Deere 2020 Tractor Service Manual Sn From 117500

Hydraulics Systems Diagrams And Formulas Cross Mfg

Hydraulics Systems Diagrams And Formulas Cross Mfg

John Deere 4430 Tractor Tm1057 Service Manual Pdf

John Deere 4430 Tractor Tm1057 Service Manual Pdf

Tm4741 John Deere Tractors 6020 6120 6220 6320 6420 6520 6620 6820 6920 S Se Operation Tests

Tm4741 John Deere Tractors 6020 6120 6220 6320 6420 6520 6620 6820 6920 S Se Operation Tests

John Deere 2155 Tractor Pc4217 Hydraulic Oil Reservoir Oil Cooler Hydraulics

John Deere 2155 Tractor Pc4217 Hydraulic Oil Reservoir Oil Cooler Hydraulics

Hydraulic System Overview

Hydraulic System Overview

John Deere 3020 Tractor Tm1005 Technical Manual Pdf

John Deere 3020 Tractor Tm1005 Technical Manual Pdf

Pin On Motor

Pin On Motor

Jd Service Publications

Jd Service Publications

Hydraulics System Overview

Hydraulics System Overview

Functional Block Diagram Of The Hydraulic Drive And Electronic Tractor Download Scientific Diagram

Functional Block Diagram Of The Hydraulic Drive And Electronic Tractor Download Scientific Diagram

Hydraulics Closed Center Pressure And Flow Compensated Pfc 29 Gpm

Hydraulics Closed Center Pressure And Flow Compensated Pfc 29 Gpm

Hydraulic Oil Reservoir Oil Lines Hydr Pump 40cm3 Tractor John Deere 6510 Tractor 6510 6610 Tractors European Edition Hydraulic Pumps And Rockshaft Hydraulic Oil Reservoir Oil Lines Hydr Pump 40cm3 777parts

Hydraulic Oil Reservoir Oil Lines Hydr Pump 40cm3 Tractor John Deere 6510 Tractor 6510 6610 Tractors European Edition Hydraulic Pumps And Rockshaft Hydraulic Oil Reservoir Oil Lines Hydr Pump 40cm3 777parts

Uklad Hydrauliczny John Deere Seria 40 I 50 Hydraulic System John Deere Series 40 And 50 Youtube

Uklad Hydrauliczny John Deere Seria 40 I 50 Hydraulic System John Deere Series 40 And 50 Youtube

Hydraulic Oil Reservoir Oil Cooler 23 Tractor John Deere 2140 Tractor 2040s 2140 Tractors 429999 European Edition 70 Hydraulic System 70 Hydraulic Oil Reservoir Oil Cooler 23 777parts

Hydraulic Oil Reservoir Oil Cooler 23 Tractor John Deere 2140 Tractor 2040s 2140 Tractors 429999 European Edition 70 Hydraulic System 70 Hydraulic Oil Reservoir Oil Cooler 23 777parts

John Deere 1520 Repair Manual Tractor Youfixthis

John Deere 1520 Repair Manual Tractor Youfixthis

John Deere 7520 Tractor Technical Manual Tm1053

John Deere 7520 Tractor Technical Manual Tm1053

How To Check Hydraulic Fluid Level On John Deere Tractor Pape Machinery

How To Check Hydraulic Fluid Level On John Deere Tractor Pape Machinery

Hydraulic System Overview

Hydraulic System Overview

John Deere Tractors 6415 6615 7515 Diagnosis And Tests Service Technical Manual Tm8128 A Repair Manual Store

John Deere Tractors 6415 6615 7515 Diagnosis And Tests Service Technical Manual Tm8128 A Repair Manual Store

1

1

Hydraulics Open Center Pressure Compensated 21 1 Gpm

Hydraulics Open Center Pressure Compensated 21 1 Gpm

John Deere 2355 2555 2755 2855 2855n 2955 3155 Tractors Repair Manual

John Deere 2355 2555 2755 2855 2855n 2955 3155 Tractors Repair Manual

Tractor

Tractor

2020 Hydraulics Shuddering

2020 Hydraulics Shuddering

John Deere 2150 2255 Tractors Tm4401 Technical Manual Pdf

John Deere 2150 2255 Tractors Tm4401 Technical Manual Pdf

John Deere Tractors 7210 7410 7510 Diagnosis And Tests Service Technical Manual Tm1654 A Repair Manual Store

John Deere Tractors 7210 7410 7510 Diagnosis And Tests Service Technical Manual Tm1654 A Repair Manual Store

Open Center Hydraulic System Provides A Maximum Hydraulic Pressure Of 2750 Psi

Open Center Hydraulic System Provides A Maximum Hydraulic Pressure Of 2750 Psi

Looking For A Hydraulic Diagram On A Deere 3130 Hydraulic Pressure And And Implement Lift Adjustment Lift Is Operating

Looking For A Hydraulic Diagram On A Deere 3130 Hydraulic Pressure And And Implement Lift Adjustment Lift Is Operating

Jd Service Publications

Jd Service Publications

36 Hydraulic System In Tractor

36 Hydraulic System In Tractor

John Deere 5038d 5042d 5045d 5047d 5050d Repair Manual Tractors Youfixthis

John Deere 5038d 5042d 5045d 5047d 5050d Repair Manual Tractors Youfixthis

4020 John Deere Hydraulics Hay Forage Forum

4020 John Deere Hydraulics Hay Forage Forum

I Have A Deere 2755 C A Tractor And Need To Know If It Has An Open Or Closed Hydraulic System

I Have A Deere 2755 C A Tractor And Need To Know If It Has An Open Or Closed Hydraulic System

Tm4487 John Deere Tractors 6100 6200 6300 6400 6506 6600 6800 6900 Diagnosis Tests Manual Deere Technical Manuals

Tm4487 John Deere Tractors 6100 6200 6300 6400 6506 6600 6800 6900 Diagnosis Tests Manual Deere Technical Manuals

John Deere 7020 Tractor Tm1031 Technical Manual Pdf

John Deere 7020 Tractor Tm1031 Technical Manual Pdf

John Deere 7720 7820 7920 Operation And Test Manual Tractors Tm2025 Erepairinfo Com

John Deere 7720 7820 7920 Operation And Test Manual Tractors Tm2025 Erepairinfo Com

Hydraulic Pump 11 3cm3 02b23 Tractor John Deere 2120 Tractor 2020 2120 Tractors European Edition 70 Hydraulic System Hydraulic Pump 11 3cm3 02b23 777parts

Hydraulic Pump 11 3cm3 02b23 Tractor John Deere 2120 Tractor 2020 2120 Tractors European Edition 70 Hydraulic System Hydraulic Pump 11 3cm3 02b23 777parts

Functional Block Diagram Of The Hydraulic Drive And Electronic Tractor Download Scientific Diagram

Functional Block Diagram Of The Hydraulic Drive And Electronic Tractor Download Scientific Diagram

John Deere Hydraulic Dump Material Collection System 318 322 332 420 430 Lawn Garden Tractors Pc1965 M02662x505001 525000 1984 Hydraulic Dump Material Collection System 318 322 332 420 430 Lawn

John Deere Hydraulic Dump Material Collection System 318 322 332 420 430 Lawn Garden Tractors Pc1965 M02662x505001 525000 1984 Hydraulic Dump Material Collection System 318 322 332 420 430 Lawn

Hydraulic Connections

Hydraulic Connections

Tm1461 John Deere 4555 4560 4755 4760 4955 4960 Tractors Diagnosis And Tests Service Manual Deere Technical Manuals

Tm1461 John Deere 4555 4560 4755 4760 4955 4960 Tractors Diagnosis And Tests Service Manual Deere Technical Manuals

John Deere Tractors 6090mc 6090rc 6100mc 6100rc 6110mc 6110rc Diagnosis And Tests Service Technical Manual Tm406519 A Repair Manual Store

John Deere Tractors 6090mc 6090rc 6100mc 6100rc 6110mc 6110rc Diagnosis And Tests Service Technical Manual Tm406519 A Repair Manual Store

Jd 5420 3 Point Hitch Problem Green Tractor Talk

Jd 5420 3 Point Hitch Problem Green Tractor Talk

1

1

Wiring diagram for John Deere 5200 slot machine gratis 5525 w self level loader John Deere A.

John Deere 3150 Power. John Deere 2240 Hydraulic oil leak Seat Bracket Removal 1949 John Deere M John Deere 820 Vibration. Illustrated Factory Diagnostic and Repair Technical Service Manual for John Deere Tractors Models 5210 5310 5410 and 5510. John Deere 3150 Power. Presented for selling technical manual provides detailed service information special instructions for repair and maintenance technical specifications special instructions on installation service documentation and other additional information for tractors John Deere 4640 and 4840. Illustrated Factory Diagnosis and Tests Service manual for John Deere 2WD or MFWD Tractors Models 1350 1550 1750 1850 1850N 1950 1950N 2250 2450 2650 2650N 2850 3050 3350 3650. The tractor has been sitting for a few years outside in the weather. Without the authorization of john deere or its successors. Free Download Preview.


This Original Factory Manual Includes Detailed Service Repair Information for the John Deere 650 750 Tractors. John Deere 3150 Power. John Deere 5210 Tractor specs This manual contains high quality images circuit diagrams instructions to help you to operate maintenance diagnostic and repair your truck. Air is only likely to get in system on the suction line connecting the pump to the sump. John Deere AG Lawn Garden and CWP Equipment Parts Search. It contains direction on fix activity and diagnostics exceptional guidelines for fix and upkeep guidelines for establishment and change gathering and dismantling directions bit by bit guidelines specialized particulars delineations nitty-gritty. 3-POINT HITCH CENTER LINK.

Post a Comment for "Tractor John Deere Hydraulic System Diagram"